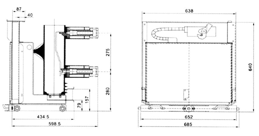
此车型适用于配置JDZ(X)10-10C型电压互感器,安装尺寸图参照大连第一互感器厂,如配置其他型号电压互感器,订货时需另外注明。熔断器按XRNP-10型配置。
630A~1250A计量手车外形尺寸

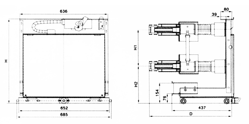
此车型适用于配置JDZ(X)10-10C型电压互感器,LZZBJ9-12/150b/2型电流互感器,安装尺寸图参照大连第一互感器,如配置其他型号电压互感器,订货时需另外注明。熔断器按XRNP-10型配置。
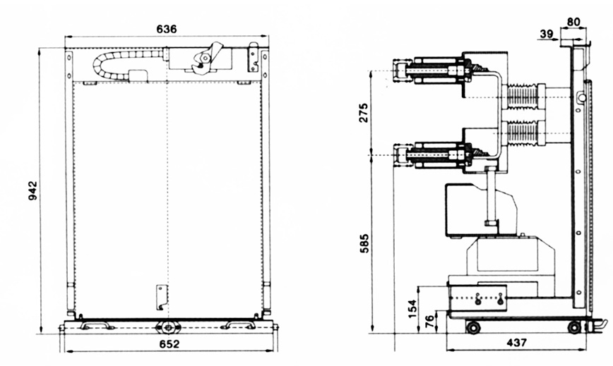
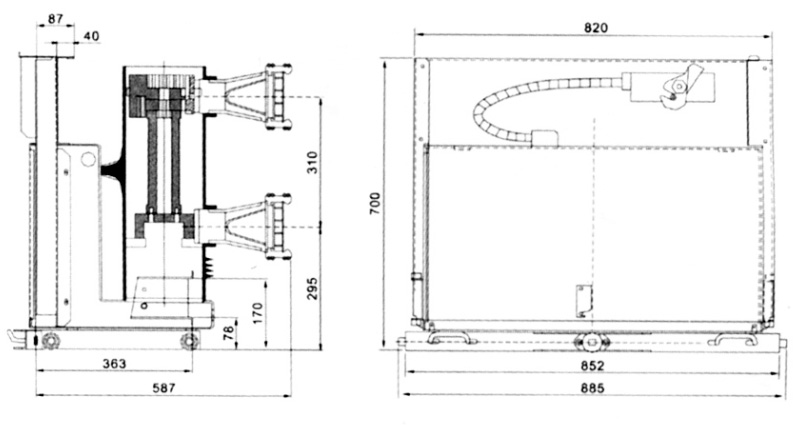
中置PT手车外形尺寸

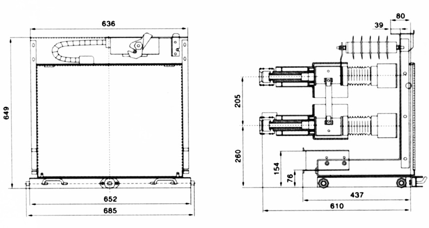
此车型适用于配置JDZ(X)10-10C型电压互感器,安装尺寸图参照大连第一互感器厂,如配置其他型号电压互感器,订货时需另外注明。熔断器按XRNP-10型或RN2-10型配置。
中置PT手车外形尺寸
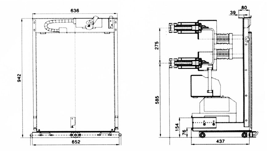
此车型适用于配置JDZ(X)10<G>型电压互感器,安装尺寸图参照大连第一互感器厂,如配置其他型号电压互感器,订货时需另外注明。熔断器按XRNP-10型或RN2-10型配置。
630A~1250A隔离手车外形尺寸
2000A~3150A隔离手车外形尺寸
4000A隔离手车外形尺寸
简易型隔离手车外形尺寸