服务热线

400-088-5696

PRODUCT SHOW

产品展示

联系我们

  • 电话:

    0512-68139771

  • 手机:

    18962118288

  • 邮箱:

    leirvo@163.com

  • 地址:

    苏州高新区昆仑山路189号

您现在的位置:首页 > 产品展示 > ZW20F-12户外高压真空分界断路器(看门狗开关)

 ZW20F-12户外高压真空分界断路器(看门狗开关) 

        ZW20F-12户外高压真空分界断路器(看门狗开关)为额定电压12kV,三相交流50Hz的户外配电设备。
        当12kV配电线路T型接线的用户内部发生故障时,或虽然发生在用户进线开关内侧,但其保护动作时限与变电站出线开关保护不当时,均会造成变电站出线开关保护分闸。如果故障是永久性的,变电站重合不成功,则一个中压用户界内的事故将使整条配电干线停电。这种电网中常见的波及事故,将对社会造成重大损失。
        ZW20F-12户外高压真空分界断路器(看门狗开关),安装于架空配电线路的责任分界处,则用户进线的前端,将会自动切除用户内单相接地故障和相间短路故障,避免用户界内故障波及输电干线,确保非故障用户的用电安全,提高用电可靠性。

型号及含义


技术参数(见表)


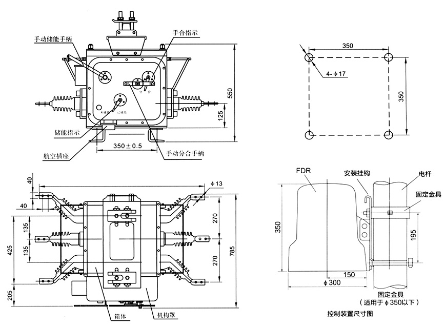
外形及安装尺寸图

使用环境
1、自动闭锁相间短路故障:
       用户支线发生相间短路故障时,分界断路器先于变电站保护动作跳闸后,立即分闸闭锁。
2、自动切除单相接地故障:
       用户支线发生单相接地故障时,分界断路器先于变电站保护动作自动分闸;变电站及干线分支用户感受不到故障的发生。
3、快速定位故障点:
       用户支线事故造成分界断路器保护动作后,责任用户停电,并主动报送事故信息,电力公司派员到现场通过掌上电脑或通讯模块查清事故原因,及时恢复供电。
4、保持原有断路器功能:
       分界断路器具有开断20-25kA短路电流能力,可以根据使用情况,设置0-3次自动重合闸功能。