
KYN61-40.5□ 型铠装移开式交流金属封闭开关设备 (以下简称“开关设备”) 其主要特点是柜内配用 ZN85-40.5 型全绝缘真空断路器及弹簧操动机构,也可配用ABB的VD4-40.5和HD4-40.5柜体采用敷铝锌板和冷轧钢板喷塑组装而成,提高了手车与柜体的配合精度,手车推进拉出十分轻便,互换性强。外形美观、方案齐全、使用安全可靠。
本产品用于35kV三相交流50Hz电力系统中,作为发电厂、变电所及工矿企业的配电室接受与分配电能之用,具有控制、保护和监测等功能。本产品符合:GB3906《3~35kV交流金属封闭开关设备》、GB/TⅡ022《高压开关设备和控制设备标准的共用技术要求》、DL/T404《交流高压开关柜订货技术条件》、IEC60298《额定电压1kV以上52kV及以下交流金属封闭开关设备和控制设备》标准。
型号及其含义
正常使用条件
◎ 周围空气温度:-15℃~+40℃;
◎ 海拔高度:2000m及以下;
◎ 湿度条件:日平均不大于95%,水蒸气压力日平均值不超2.2kPa;月平均不大于90%,水蒸气压力月平均值不超1.8kPa。
◎ 地震烈度:不超过8度;
◎ 没有腐蚀性或可燃性气体等明显污染的场所。
注:超出上述正常使用条件时,用户可与本公司协商。
主要技术参数
结构特征
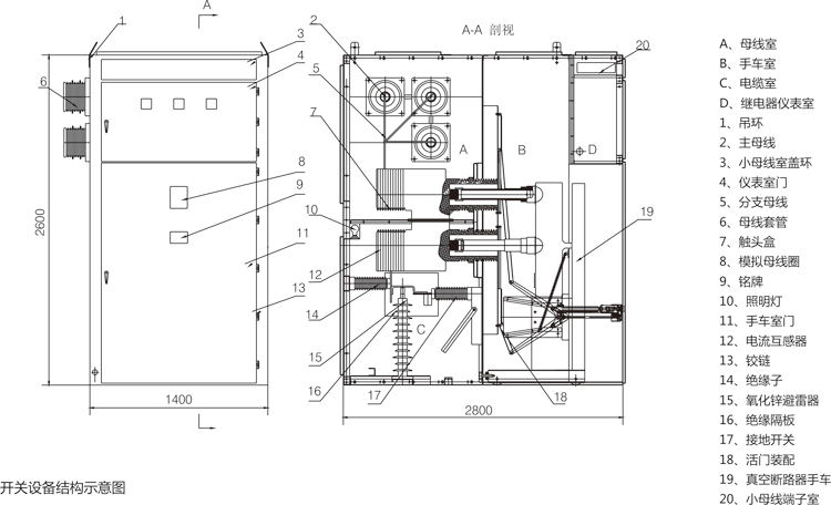
本产品分为柜体、手车两大部分。柜体为钢板弯制,喷塑后用螺栓组装而成。按功能特征可分为小线线室、继电器仪表室、手车室、电缆室和母线室四部分,各部分以接地的金属隔板分隔。柜体外壳防护等级为IP4X;手车室门打开,防护等级为IP2X。
本开关设备具有电缆进出线、架空进出线、母线联络、隔离、电压互感器、避雷器等主电路方案。母线采用复合绝缘,相间及连接头配有用阻燃材料注塑而成的绝缘套,主母线相邻柜间用母线套管隔开,能有效地防止事故蔓延,同时对主母线起到辅助支撑作用。电缆室装有接地开关、过电压保护装置等。
触头盒前装有金属活门,上下活门在手车从断开 / 试验位置运动到工作位置过程中自动打开,当手车反方向运动时自动关闭,与高压有效隔离。主开关、手车、接地开关及柜门之间的联锁均采用强制性机械闭锁方式,满足“五防”功能要求。
断路器手车采用丝杆传动推进机构,超越离合器。丝杆螺母推进机构轻松地操作使手车在试验位置和工作位置之间移动,借助丝杆螺母的自锁性可使手车可靠的锁定在工作位置,防止因电动力的作用引起手车窜动而引发事故。超越离合器在手车移动退至试验位置和时至工作位置时起作用,使操作轴与丝杆轴自动脱离而空转,可防止误操作而损坏推进机构。其他手车采用杠杆推进机构。试验工作位置有定位肖锁定。
柜体外形常规尺寸为:宽×深×高(mm):1400×2800×2600
订货时须注明:
◎ 主电路方案编号、用途、单线系统图、排列图和配电室平面布置图等;
◎ 辅助回路接线原理图、端子排列图;
◎ 开关设备内的电器元件的型号、规格、数量;
◎ 开关设备控制、测量及保护功能的要求以及其他闭锁和自动装置的要标;
◎ 如开关设备之间或进线柜需要母线桥连接,应提供母线桥的额定载流量,母线桥的跨度,距地高度等具体要求数据;
◎ 需要附件、备件时,应提出种类和数量;
◎ 开关设备使用在特殊环境条件,应在订货时详细说明。